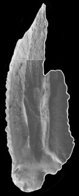
Otoliths Picture
Otoliths of Thyrsitoides marleyi
Type Length of fish
(mm)
Length of otolith
(mm)
Height of otolith
(mm)
Face Position Locality
sagitta 1100  11.5  4.1  inner  right  I. Loyautés (NC ), 350m, 27820

THMAR_o3.gif

(THMAR_o3.gif) by IRD

Back to Search
Back to Top
php script by elaxamana, 19/08/09 ,  last modified by elaxamana, 19/08/09